Mansarda Via Bianca Gerardi 4, Ciriè
€ 139.000Appartamento - Mansarda a Ciriè
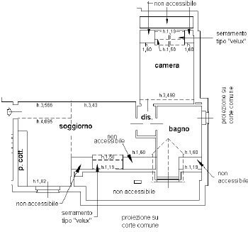
CIRIE' ZONA VIA VIGNA InvestiQui Immobiliare Ciriè propone in esclusiva a pochi minuti dal centro paese e in zona residenziale composta da recenti costruzioni MANSARDA in ottimo stato interno. La palazzina edificata nel 2008 si trova in ottimo stato conservativo, non vi sono piani intererrati e l'ascensore porta al piano senza dover fare gradini. L'alloggio e tutti i suoi componenti compresi la caldaia a condensazione sono stati invece ultimati nel 2012, inoltre lo stabile gode della fornitura di acqua calda con pannelli solari. La soluzione è composta da Ingresso Living su open space con parete cottura di circa 40 mq, Disimpegno, Camera da Letto e Bagno. Classe Energetica "B" Ipe 65,47 kWh/mq anno 3 BUONI MOTIVI PER ACQUISTARE QUESTA SOLUZIONE - IDEALE per coppie o giovani -STABILE RECENTE con possibilità di mutuo GREEN -BASSA RENDITA CATASTALE che rende immobile ideale anche uso investimento DOVETE VENDERE CASA? INVESTIQUI IMMOBILIARE offre consulenza e valutazione gratuita del vostro immobile senza impegno ! I nostri recapiti sono 3519913033 anche whatsapp 3406655123 EMAIL: [email protected] SELEZIONIAMO NUOVE FIGURE DA INSERIRE NEI NOSTRI PUNTI VENDITA DI TORINO E CIRIE'. MANDACI UN CURRICULUM E TI CONTATTEREMO PER FISSARE UN COLLOQUIO. Metti MI PIACE sulla nostra pagina ufficiale InvestiQui Immobiliare per rimanere sempre aggiornato sulle nostre proposte! LE INFORMAZIONI SOPRACITATE NON COSTITUISCONO ELEMENTO CONTRATTUALE
Dati principali
| Riferimento | 001 |
| Data annuncio | 04/12/2025 |
| Contratto | Vendita |
| Tipologia | Mansarda |
| Superficie | 80 m2 |
| Locali | 3 (3 altro) |
| Piano | 1 totali |
Costi
| Prezzo | 139.000 € |
| Prezzo al m2 | 1.738 €/m2 |
| Spese condominiali | € 75,00/mese |
Efficienza energetica
| Anno costruzione | 2008 |
| Classe energetica | B |
Planimetrie
Indirizzo e mappa
Via Bianca Gerardi 4, Ciriè
Calcolo mutuo
Prezzo di vendita:
Anticipo
20,00
Mutuo
80,00
Tasso: -+
Rata: 398 al mese
I risultati sono una stima indicativa basata sui dati inseriti e non costituiscono un’offerta finanziaria.
Inserzionista

InvestiQui Cirié
Via Paolo Braccini, 26, Ciriè
Mostra Cellulare
Chiama
CONTATTA

